Industriel skabsdørlåser den vigtigste beskyttende komponent i distributionsskab, kommunikationsskab, kontrolboks og andet udstyr, som er direkte relateret til sikkerheden af interne elektriske komponenter og den stabile drift af systemet.
For at imødekomme de forskellige krav til leveringstid og specifikationer for forskellige projekter, har vores virksomhed altid fem typer almindeligt anvendte låse på lager --Lang stanglås, Panellås, Stangkontrollås, Håndtag lås,Roterende tungelås. Samtidig understøtter vi enhver ikke-standard lås tilpasset i henhold til tegninger eller prøver, som er perfekt egnet til alle slags metalfordelingsbokse.
Planlås er en af de mest almindelige typer af industrielle skabslåselåse, både smukke og nemme at vedligeholde. Vores virksomhed lancerede AB301, AB302, AB303, AB402, AB403-seriens planlås, i den strukturelle styrke, beskyttelsesydelse og driftsfølelse af det differentierede design, kan opfylde de forskellige specifikationer for distributionsboksen, installationskrav til kontrolskab.
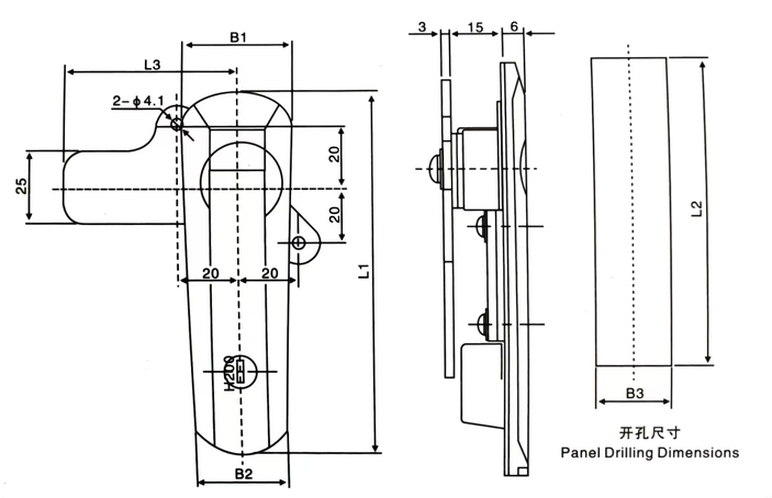
| Dimensioner | Produktnummer | |||||||
| L1 | L2 | L3 | B1 | B2 | Grå forkromning | Grå spraymaling | Sort pulverlakeret | Vægt (g) |
| 147 | 117 | 72 | 33 | 26.5 | AB301-1-1.2 | AB301-1-1.8 | AB301 | 370 |
| 120.5 | 95.5 | 65 | 30 | 23.5 | AB301-2-1.2 | AB301-2-1.8 | AB302 | 290 |
| 87.5 | 62.5 | 65 | 28.5 | 23.5 | AB301-3-1.2 | AB301-3-1.8 | AB303 | 215 |
Hovedmateriale: zinklegering.
Overfladebehandling: blank krom, mat, sort.
Funktion og brug: Realiser venstre og højre døråbning, nem at bruge, med tætning og vandtæt funktion.
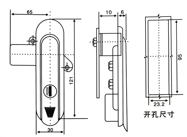
Hovedmateriale: zinklegering.
Overfladebehandling: blank krom, mat, sort.
Funktion og brug: Realiser venstre og højre døråbning, nem at bruge, med tætning og vandtæt funktion.
Materiale: zinklegering låselegeme, roterende aksel, galvaniseret stålbolt, trykplade.
Overfladebehandling: sølvgrå nanospray.
Strukturbeskrivelse: Drej 90 grader for at åbne eller låse.
| MODEL | L1 | L2 | L3 | B1 | B2 | B3 |
| NY AB402-A | 123 | 95.5 | 65 | 36.5 | 30 | 23.5 |
| NY AB403-A | 91 | 62.5 | 65 | 33 | 28.5 | 23.5 |
| NY AB401-A | 151 | 117 | 72 | 36 | 30 | 26.5 |
